ELECTRONICA DIGITAL
LABORATORIO N° 03
CIRCUITOS SUMADORES Y DECODIFICADORES
Alumno(s)
|
Nota
|
|
Uscca Giraldo Jose Leonardo
|
||
Salas Molina Hector Sebastian
|
||
Grupo
|
A
|
|
Ciclo 4C4
|
Electrotecnia
Industrial – Electrónica Digital
|
|
Fecha de
entrega
|
||
I. CAPACIDAD TERMINAL
·
Identificar las aplicaciones de
la Electrónica Digital.
·
Describir el funcionamiento de
las unidades y dispositivos de almacenamiento de información.
·
Implementar circuitos de lógica
combinacional y secuencial.
II. COMPETENCIA
ESPECIFICA DE LA SESION
·
Implementación de circuitos de aritmética binaria
usando C.I.: Sumadores y restadores.
·
Implementación de circuitos decodificadores y
displays de 7 segmentos.
·
Utilizar un SIMULADOR para comprobar el
comportamiento de los mismos.
III.
CONTENIDOS A TRATAR
·
Circuitos Sumadores
·
Circuitos Decodificadores.
·
Display de 7 segmentos
IV. RESULTADOS
·
Diseñan sistemas eléctricos y
los implementan gestionando eficazmente los recursos materiales y humanos a su
cargo.
V. MATERIALES Y EQUIPO
·
Entrenador para Circuitos Lógicos
·
PC con Software de simulación.
·
Guía de Laboratorio. El trabajo se desarrolla de
manera GRUPAL.
VI. REPASO DEL
LABORATORIO ANTERIOR
·
Diseño de circuitos
combinacionales
VII.
FUNDAMENTO TEÓRICO
·
Revise los siguientes enlaces:
·
CIRCUITOS SUMADORES:
·
CIRCUITOS DECODIFICADORES:
·
NUMEROS BINARIOS
·
DISPLAY DE 7 SEGMENTOS:
TAREAS GUIADAS DENTRO
DEL LABORATORIO:
1. Los
Números Binarios y su representación:
1. Suma
de números Binarios
SUMADOR
COMPLETO DE 4 BITS:
1. Tomando
en cuenta el circuito anterior, SIMULAR dicho circuito y completar la tabla
siguiente:
Acarreo
Cin
|
Sumando
A
|
Sumando
B
|
Sumatoria ∑
|
Acarreo
Cout
|
0
|
0001
|
0010
|
0011
|
0
|
0
|
0010
|
0011
|
0101
|
0
|
0
|
0011
|
0100
|
0111
|
0
|
0
|
0100
|
0101
|
1001
|
0
|
1
|
0101
|
0111
|
1100
|
1
|
1
|
0111
|
1000
|
10000
|
1
|
1
|
1000
|
1001
|
10010
|
1
|
1. Armar circuito en el ENTRENADOR y verificar resultados
2. Visualización de Números Binarios (DECODIFICADORES)
Tabla
de verdad de un DECODIFICADOR DE 7 SEGMENTOS
1. Decodificador
COMERCIAL: 7448
1. Realice
la SIMULACION del circuito mostrado. Luego realice la IMPLEMETACION en
ENTRENADOR comprobando la tabla anterior.
1.
Experimente y responda a las
preguntas siguientes dentro del BLOG (video)
- ¿Qué
sucede si la SUMATORIA es superior a 9?,
rpta : la suma supera a 9 los valores de la salida salen error por ello las luces , se muestran con un tipo de error en el display 7 segmentos.
¿qué número se muestra en el DISPLAY y por qué?
rpta : la suma supera a 9 los valores de la salida salen error por ello las luces , se muestran con un tipo de error en el display 7 segmentos.
¿qué número se muestra en el DISPLAY y por qué?
El visualizador de siete segmentos (llamado
también display por calco del inglés) es una forma de representar
caracteres en equipos electrónicos.
Está compuesto de siete segmentos que se pueden encender o apagar
individualmente. Cada segmento tiene la forma de una pequeña línea. Se podría
comparar a escribir números con cerillas o fósforos de madera.
- En
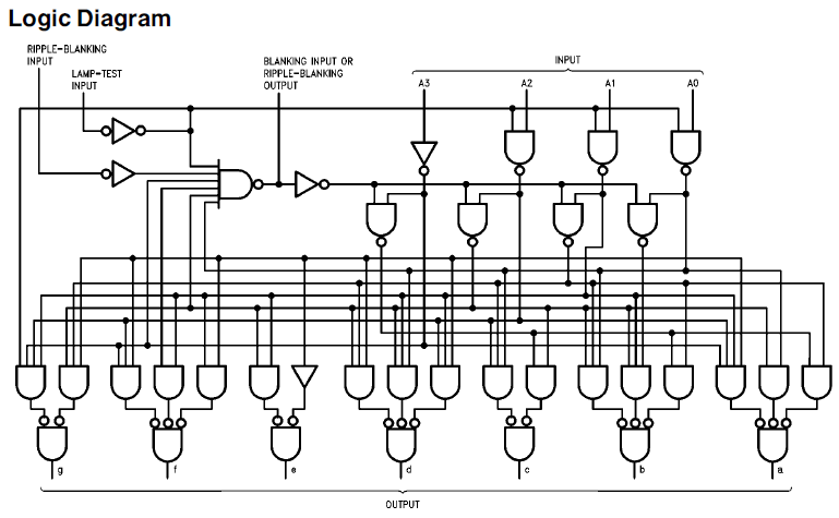
el CI 7448, ¿para qué se utilizan los pines BI/RBO, RBI y LT?
El circuito integrado 7448
o subfamilia (74LS48, 74F48, 74S48, 74HCT48,..) es un circuito integrado que
convierte el código binario de entrada en formato BCD a niveles lógicos que
permiten activar un display de 7 segmentos de cátodo común en donde la posición
de cada barra forma el número decodificado.
En
el bloque del entrenador denominado HEX 7 SEGMENT DISPLAY, ¿para qué sirven las
entradas LE, RBI y la salida RBO?
Sirve para checar si el CI
funciona al tener armado tu circuito y activarlo se deberán encender todos los
segmentos del display
BI/RBO Blanking Input
"Corte de salida / Fluctuación Corte de salida"
se activa cuando lo está RBI y la entrada BCD es 0
se activa cuando lo está RBI y la entrada BCD es 0
1.
CONTENIDO DEL INFORME EN EL BLOG:
a.
Teoría de Sumadores y
Decodificadores BCD a 7 segmentos
b. Video
tutorial editado y subtitulado explicando TODO el proceso de diseño:
i. Circuito
Sumador simple
ii. Circuito
sumador con Decodificador
iii. Simulación
del circuito
iv. Implementación
y funcionamiento
c. Observaciones
y conclusiones. ¿Qué he aprendido de esta experiencia? (en modo texto)
d. Integrantes
(incluye foto de todos)
I.
RECOMENDACIONES
Documente el avance del proyecto
con capturas de pantalla, videos, observaciones y conclusiones. Cree un BLOG y
suba dicha información al mismo.
II.
RESÚMEN
·
Números Binarios
·
Circuitos Sumador
·
Circuito Decodificador
Definición de Números Binarios
La
definición de números binarios es: Son números que
están dentro del sistema binario de numeración que está constituido por dos
cifras 1 y 0, un sistema en el cual se escriben cantidades, códigos, mensajes y
otros lenguajes con tan solo dos elementos dentro de la numeración, haciendo que
el código se simplifique la comprensión de los sistemas informáticos, pues hará
que un elemento tenga un valor unitario o nulo. Es decir que se trabaja en un
sistema de puertas cerradas o abiertas.
Escribir en Binario
Este sistema entonces se basa en posiciones, si la primera posición
está abierta tendremos como resultado el número 1. Si tenemos dos posiciones,
la primera abierta y la segunda cerrada, tenemos como resultado el número 10.
Si tenemos tres posiciones, donde la primera está abierta, la segunda cerrada y
la tercera abierta nuevamente, se obtiene como resultado el número 101. Y así
sucesivamente, hasta completar el paquete de información que se desea hacer
dentro de la representación de los números binarios.
Historia De Los Números Binarios
Ya para el siglo III a.C. se empezó a configurar un tipo de lenguaje
que utilizara solo dos elementos. Pues, aunque en épocas anteriores y en
culturas distintas ya se había introducido el número cero dentro del sistema
numérico, es en la India donde un matemático de nombre Pingala empieza a
experimentar con este tipo de valencias y logra describir su uso sin mucha
repercusión ya que no es tomado en cuenta por las culturas europeas que en
aquel entonces tenían una mayor influencia en la sabiduría popular.
Para Qué Sirven Los Números Binarios
El sistema binario de numeración es utilizado con mucha frecuencia y
fue el origen de los sistemas informáticos como las calculadoras y las
computadoras. Esto se debe a que la simplificación del lenguaje logra un nivel
bajo de error pues se basa en dos únicas respuestas por parte del interprete.
Es decir, que solo puede haber dos interpretaciones por cada símbolo. Una
puerta está abierta o cerrada, nunca puede haber un valor intermedio. Es como
si la respuesta a cualquier pregunta fuera sí o no. 1 o 0. Apagado o encendido.
Entonces los transistores y chips de un aparato pueden o no conducir la
corriente de información en estos dos únicos sentidos.
Ejemplos De Números Binarios
Ya que se ha hablado de los
números binarios, pero no se ha dado un ejemplo claro de cómo se puede escribir
en este sistema de numeración, aquí están los números básicos del sistema
decimal de numeración que es el que más utilización tiene alrededor del mundo
pero representados con los símbolos binarios
CIRCUITO SUMADORES
Por lo que en la
suma de números binarios con dos o más bits, puede ocurrir el mismo caso que
podemos encontrar en la suma de números decimales con varias cifras: cuando al
sumar los dos primeros dígitos se obtiene una cantidad mayor de 9, se da como
resultado el dígito de menor peso y “me llevo" el anterior a la siguiente
columna, para sumarlo allí.
En la suma binaria
de los dígitos 1 + 1, el resultado es 0 y me llevo 1, que debo sumar en la
columna siguiente y pudiéndose escribir 10, solamente cuando sea la última
columna a sumar. A este bit más significativo de la operación de sumar, se le
conoce en inglés como carry (acarreo), equivalente al “me llevo una” de la suma
decimal.
Entradas
|
Salidas
|
||
A
|
B
|
C
|
S
|
0
|
0
|
0
|
0
|
0
|
1
|
0
|
1
|
1
|
0
|
0
|
1
|
1
|
1
|
1
|
0
|
Con lo que sus
funciones canónicas serán:
Aunque, como ya hemos dicho en otros casos, en
realidad estos circuitos no se cablean con puertas lógicas, si no que forman
parte de circuitos integrados como el CI 7483, que es un sumador de cuatro
bits.
El esquema
CIRCUITOS DECODIFICADORES
Tienen como función detectar
la presencia de una determinada combinación de bits en sus entradas y señalar
la presencia de este código mediante un cierto nivel de salida.
Un decodificador posee N
líneas de entrada para gestionar N bits y en una de las 2N líneas de
salida indica la presencia de una o mas combinaciones de n bits.
Para cualquier código dado en
las entradas solo se activa una de las N posibles salidas.
2. El decodificador de 4 bits ó
decodificador 1 de 16.
Se utiliza para poder decodificar todas las combinaciones de 4
bits.
Para cualquier código dado en las entradas solo se activa una de
las posibles dieciséis salidas.
Si requerimos una salida a nivel bajo, el decodificador de puede
implementar con puertas NAND e inversores, uno por cada salida.
A3
|
A2
|
A1
|
A0
|
15
|
14
|
13
|
12
|
11
|
10
|
9
|
8
|
7
|
6
|
5
|
4
|
3
|
2
|
1
|
0
|
0
|
0
|
0
|
0
|
0
|
0
|
0
|
0
|
0
|
0
|
0
|
0
|
0
|
0
|
0
|
0
|
0
|
0
|
0
|
1
|
0
|
0
|
0
|
1
|
0
|
0
|
0
|
0
|
0
|
0
|
0
|
0
|
0
|
0
|
0
|
0
|
0
|
0
|
1
|
0
|
0
|
0
|
1
|
0
|
0
|
0
|
0
|
0
|
0
|
0
|
0
|
0
|
0
|
0
|
0
|
0
|
0
|
1
|
0
|
0
|
0
|
0
|
1
|
1
|
0
|
0
|
0
|
0
|
0
|
0
|
0
|
0
|
0
|
0
|
0
|
0
|
1
|
0
|
0
|
0
|
0
|
1
|
0
|
0
|
0
|
0
|
0
|
0
|
0
|
0
|
0
|
0
|
0
|
0
|
0
|
1
|
0
|
0
|
0
|
0
|
0
|
1
|
0
|
1
|
0
|
0
|
0
|
0
|
0
|
0
|
0
|
0
|
0
|
0
|
1
|
0
|
0
|
0
|
0
|
0
|
0
|
1
|
1
|
0
|
0
|
0
|
0
|
0
|
0
|
0
|
0
|
0
|
0
|
1
|
0
|
0
|
0
|
0
|
0
|
0
|
0
|
1
|
1
|
1
|
0
|
0
|
0
|
0
|
0
|
0
|
0
|
0
|
1
|
0
|
0
|
0
|
0
|
0
|
0
|
0
|
1
|
0
|
0
|
0
|
0
|
0
|
0
|
0
|
0
|
0
|
0
|
1
|
0
|
0
|
0
|
0
|
0
|
0
|
0
|
0
|
1
|
0
|
0
|
1
|
0
|
0
|
0
|
0
|
0
|
0
|
1
|
0
|
0
|
0
|
0
|
0
|
0
|
0
|
0
|
0
|
1
|
0
|
1
|
0
|
0
|
0
|
0
|
0
|
0
|
1
|
0
|
0
|
0
|
0
|
0
|
0
|
0
|
0
|
0
|
0
|
1
|
0
|
1
|
1
|
0
|
0
|
0
|
0
|
1
|
0
|
0
|
0
|
0
|
0
|
0
|
0
|
0
|
0
|
0
|
0
|
1
|
1
|
0
|
0
|
0
|
0
|
0
|
1
|
0
|
0
|
0
|
0
|
0
|
0
|
0
|
0
|
0
|
0
|
0
|
0
|
1
|
1
|
0
|
1
|
0
|
0
|
1
|
0
|
0
|
0
|
0
|
0
|
0
|
0
|
0
|
0
|
0
|
0
|
0
|
0
|
1
|
1
|
1
|
0
|
0
|
1
|
0
|
0
|
0
|
0
|
0
|
0
|
0
|
0
|
0
|
0
|
0
|
0
|
0
|
0
|
1
|
1
|
1
|
1
|
1
|
0
|
0
|
0
|
0
|
0
|
0
|
0
|
0
|
0
|
0
|
0
|
0
|
0
|
0
|
0
|
4. El decodificador BCD a decimal.
Convierte cada código BCD en uno de los diez posibles dígitos
decimales.
El método de implementación es el mismo que para un decodificador
4 a 16,pero con la diferencia de que las salidas son solo 10.
Obtendremos salidas activas a nivel ALTO y BAJO implementando las
funciones con puertas AND y NAND respectivamente.
5.
Decodificadores BCD a 7 segmentos
Es un circuito combinacional que permite un código BCD en sus
entradas y en sus salidas activa un display de 7 segmentos para indicar un
dígito decimal.
El display está formado por un conjunto de 7 leds conectados en un
punto común en su salida, bien en ánodo comun ó ánodo común.
OBSERVACIONES
1.- Se tuvo algunos inconvenientes con los sumadores puesto que estaban malogrado retrasando la experiencia del laboratorio de electrónica, hay que verificar los conectores o cables antes de armas el circuito, eso se puede hacer cerrando en circuito de in y or,
2.- Con ayuda del programa lapsof, este programa prueba las diferentes funciones y luces
3.-Hay que ser muy cuidadosos al momento de retirar los conectores del circuito, agarrarlos de la base y no del cable ya que podrían romper.
4.-considerar siempre los parámetros de los componentes electrónicos y seguir cuidadosamente los pasos ya que algún cambio de voltaje, corriente, etc. Podría malograr los equipos
5,-Cada componente electrónico tiene una función, código esto ayuda a mejorar el armado del circuito en le protoboard..
CONCLUSIONES:
- Se pudo comprobar la forma de uso de un sumador, actúa con los dígitos binarios, teniendo 10 dígitos desde el 0 hasta el 9, esto es la lectura con códigos binarios .
- haciendo uso de este sumador podemos llegar a dígitos de 2 cifras, llegando hasta el 99. Y añadiendo más sumadores y otro decodificador podemos llegar a mas cifras de números.
- Estos dígitos se muestran gracias a nuestro decodificador, este se encarga de transformar esos números binarios en un número cardinal, y lo refleja mediante una pantalla mostrándonos en número en sí.
- Es muy importante realizar los circuitos en los simuladores, ya que en estos podremos observar algunas fallas que tenga el circuito y corregirlas en el mismo
- Se ha demostrado que toda la programación o el lenguaje está dada por el código binario tanto en equipos electrónicos, como eléctrico.
III. PROXIMO LABORATORIO:
· Circuitos contadores.
IV. BIBLIOGRAFIA Y WEBGRAFIA RECOMENDADA
· Floyd, Thomas (2006) Fundamentos de sistemas digitales. Madrid.: Pearson Educación (621.381/F59/2006) Disponible Base de Datos Pearson
· Mandado, Enrique (1996) Sistemas electrónicos digitales. México D.F.: Alfaomega. (621.381D/M22/1996)
· Morris Mano, M. (1986) Lógica digital y diseño de computadoras. México D.F.: Prentice Hall (621.381D/M86L)

































